佰富彩公司名称:佰富彩
公司地址:苏州市城北西路1599号D6-112B
佰富彩公司传真:0512-69132385
移动电话:18651109880
电子邮箱:szdjcd@126.com
联 系 人:顾大成
客服 Q Q:
H200系列小型矢量变频器低频扭矩大,0.5Hz力矩输出达150%,自动节能运行,根据负载变化自动调节V/F曲线,可靠的速度追踪功能,自动识别电机的速度和运行方向。
产品特点
◆ 低频扭矩大,0.5Hz力矩输出达150%
◆ 电网瞬时掉电不停机,确保安全运行
佰富彩◆ 自动节能运行,根据负载变化自动调节V/F曲线
◆ 可靠的速度追踪功能,自动识别电机的速度和运行方向
佰富彩◆ 标准化机箱设计,安装尺寸更通用
行业应用
佰富彩广泛应用于输送线、印刷机械、纺织机械、拉丝机械、数控机床、扶梯、搅拌机械、小型风机、泵类等。
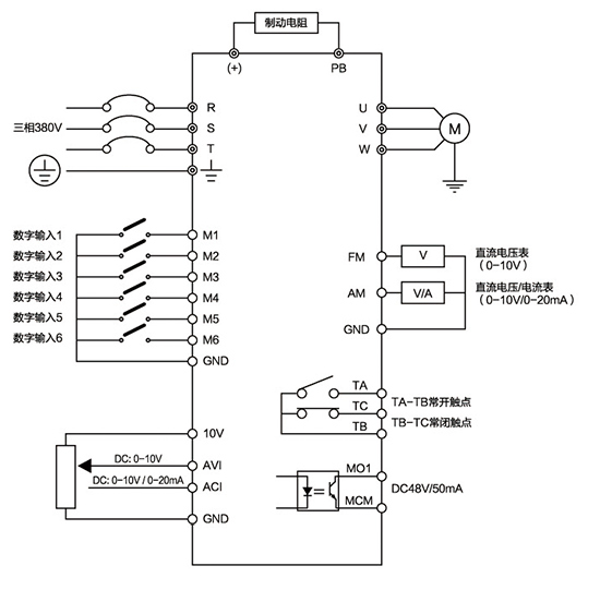
标准接线图

佰富彩
服务热线:0512-67571896
移动电话:18651109880
联 系 人:顾大成
电子邮箱:szdjcd@126.com
佰富彩官方网站:braphy.com.cn
佰富彩公司地址:苏州市城北西路1599号D6-112B