公司名称:佰富彩
公司地址:苏州市城北西路1599号D6-112B
公司传真:0512-69132385
佰富彩移动电话:18651109880
电子邮箱:szdjcd@126.com
联 系 人:顾大成
客服 Q Q:
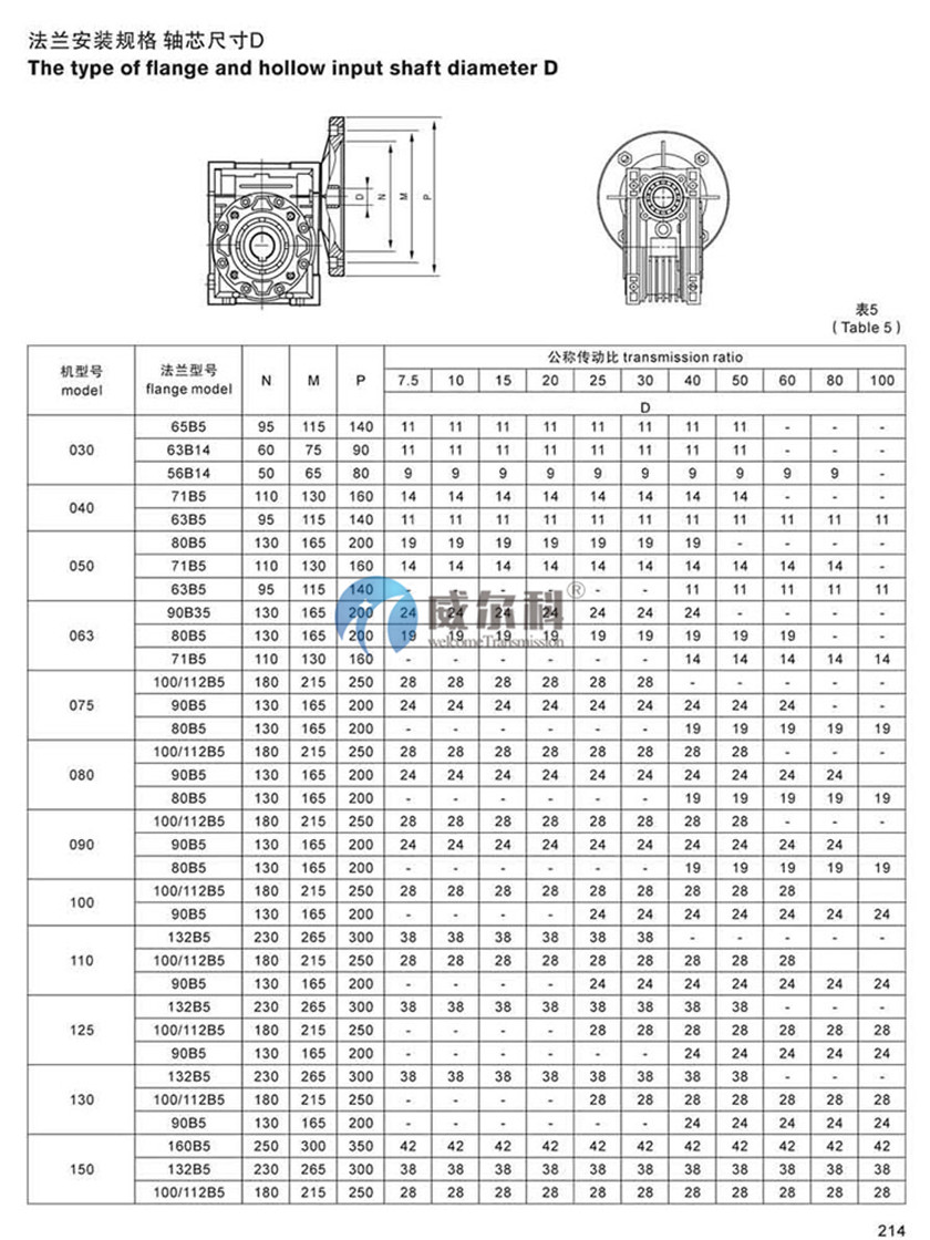
RV130蜗轮蜗杆减速机目前已广泛应用于冶金、矿山、输送、水利、化工、食品、饮料、纺织、烟草、包装、环保等众多行业和领域工艺装备的机械减速装置,深受用户的好评、是目前现代工业装备实现大速比低噪音、高稳定机械减速传动控制装置的优先选择。
佰富彩功 率:4KW~7.5KW
转 矩:2.6N·m~2379N·m
传动比:7.5-100
佰富彩RV130铝合金蜗轮蜗杆减速机是一种新型产品,机械结构紧凑、体积轻巧、小型高效;蜗轮蜗杆减速机按Q/MD1-2000技术质量标准设计制造。 产品在符合按国家标准GB10085-88蜗杆轮参数基础之上,蜗轮蜗杆减速机吸取国内外先进科技,独具新颖一格的“方箱型”外结构,箱体外形美观,以优质铝合金压铸而成。
佰富彩 RV蜗轮蜗杆减速机目前已广泛应用于冶金、矿山、输送、水利、化工、食品、饮料、纺织、烟草、包装、环保等众多行业和领域工艺装备的机械减速装置,深受用户的好评、是目前现代工业装备实现大速比低噪音、高稳定机械减速传动控制装置的优先选择。
佰富彩性能特点:
1、机械结构紧凑、体积轻巧、小型高效;
2、热交换性能好,散热快;
3、安装简易、灵活轻捷、性能优越、易于维护检修;
4、传动速比大、扭矩大、承受过载能力高;
佰富彩5、运行平稳,噪音小,经久耐用;
6、适用性强、安全可靠性大。











佰富彩
服务热线:0512-67571896
佰富彩移动电话:18651109880
联 系 人:顾大成
电子邮箱:szdjcd@126.com
佰富彩官方网站:braphy.com.cn
公司地址:苏州市城北西路1599号D6-112B